E-mail:peak@peak-industry.com
Detalles del producto
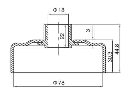
RS-S070
Especificaciones del producto
Número de pieza
RS-S070
Sprocket Tipo
rim sprocket
Specification
404"-7
Consulta
Descripción e información detallada
Descripción

Excepto nuestros productos exhibidos, ofrecemos servicios de fabricación de productos personalizados para crear soluciones para sus necesidades de producción únicas.


Detalles:
Mayores Informes